

ÜRÜN KODU: 39840000
giriş ve çıkış bağlantı seti
● ara musluk ½"
● 2 WC sabitleme civatası
● 180/230 mm mesafeli sabitleme civataları
● kısaltılabilir bakım şaftı, yapım aşamasında koruma dahil, dikey kullanım için
● küçük gömme rezervuar paneli montajı için (40 949 000) lütfen revizyon şaftını sipariş veriniz
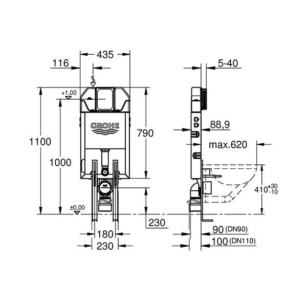
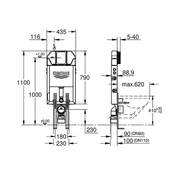
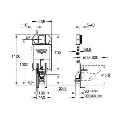
● ince gömme rezervuar, 3 - 6 litre dolum özellikler:
● fabrika ayarı 6l ve 3l
● 3 çalışma modlu pnömatik boşaltma valfi: çift akım, start/stop veya kesintisiz
● üst bölümden su temini
● duvara montaj için lütfen duvar desteklerini sipariş ediniz 39 699 000 (ayrı sipariş edilmelidir)
● Destekleme ayakları (37 304 000)